
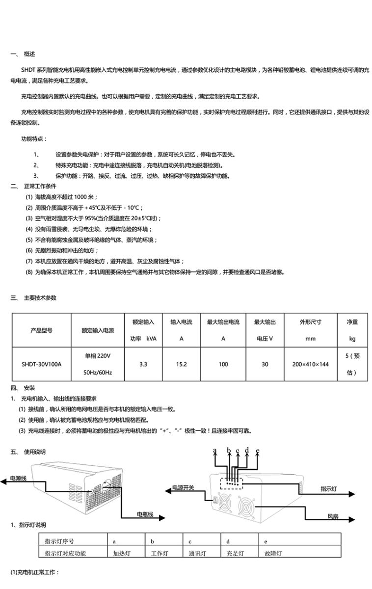
SHDT 系(xi)列(lie)智能充(chong)電機用(yong)高(gao)性能嵌入(ru)式充(chong)電控(kong)制(zhi)單(dan)元控(kong)制(zhi)充(chong)電電流(liu),通過參數優(you)化設計的主(zhu)電路模塊,為各種鉛酸蓄電池(chi)、鋰電池(chi)提供(gong)連續可調(diao)的充(chong)電電流(liu),滿足各種充(chong)電工藝要求。
充(chong)電(dian)控制(zhi)器內置默認的充(chong)電(dian)曲線(xian)。也可以根據用(yong)戶需要,定制(zhi)的充(chong)電(dian)曲線(xian),滿足(zu)定制(zhi)的充(chong)電(dian)工藝要求。
充(chong)電控制器實(shi)時(shi)監測(ce)充(chong)電過程中(zhong)的(de)各(ge)種(zhong)參數,使充(chong)電機(ji)具(ju)有(you)完善的(de)保(bao)護功能,實(shi)時(shi)保(bao)護充(chong)電過程順利進行。同時(shi),它還提供通訊接(jie)口(kou),提供與其他設備連(lian)鎖(suo)控制。
設置參數失(shi)電保護:對于用戶設置的參數,系統可長久(jiu)記(ji)憶,停電也(ye)不丟失(shi)。
特殊充(chong)電(dian)功能:充(chong)電(dian)中途連(lian)接線脫落(luo),充(chong)電(dian)機自動關機(電(dian)池脫落(luo)檢(jian)測)。
保護功(gong)能(neng):開路、接反、過流(liu)、過壓、過熱、缺相保護等的故障保護功(gong)能(neng)。
售前支持 021-58222666/58228686
銷售應(ying)急 18918621852
售后服務 4008883026、
021-58221666/58221622
技術支持 021-58228080、
13918674668
應急投訴 13901854050